产品详情
![]() |
KHP、PKH高压板式球阀
|
| 产品名称: | 板式高压球阀 | 产品型号: | KHP、PKH |
| 公称通径: | DN16~DN50 | 结构形式: | 球形 |
| 公称压力: | 31.5Mpa~40.0Mpa~50.0Mpa | 连接方式: | 螺纹 |
| 适用温度: | -20~+100℃~+170℃ | 驱动方式: | 手动 |
| 阀体材质: | 铸钢、不锈钢 | 制造标准: | 国标GB、德国DIN、美国API、ANSI |
| 适用介质: | 水、油、气 | 生产厂家: | 上海剑阀阀门有限公司 |
产品说明
KHP、PKH高压板式球阀适用于液压系统和化工系统的各种管路上做为启闭用。开关迅速、方便,流体阻力小,是所有阀类中流体阻力最小的一种只要阀杆转动90°,球阀就完成了全开或全关动作,很容易实现快速启闭。阀杆密封可靠。球阀启闭时阀杆只作旋转运动,因此阀杆的填料密封不易被破坏,而且阀杆倒密封的密封力随着介质压力的增加而增大。适用介质:液压油、水一乙二醇、其它混合液体。产品特点
KHP、PKH高压板式球阀是我公司引进德国先进技术工艺,主要用于液压管路中控制油液的流通和截止,本型球阀具有流阻损失小,密封性能可靠,操作方便,外观精美等特点。图形符号
型号说明

系列代号:KHP、PKH系列高压板式球阀
②公称通径:6、10、16、20、25、32、40、50mm
③阀体材料:1-钢
④球体材料:1-钢、2-黄铜
⑤工作温度:1、-25~+100℃ 2、-30~+170℃
⑥其他密封:2-丁晴橡胶、4-氟橡胶
⑦ 手柄形式:01-铝质直柄02-铝质曲柄03-铸锌直柄04-铸锌曲柄05-钢质直柄06-钢质曲柄09-不带手柄
⑧设计序号:由生产商
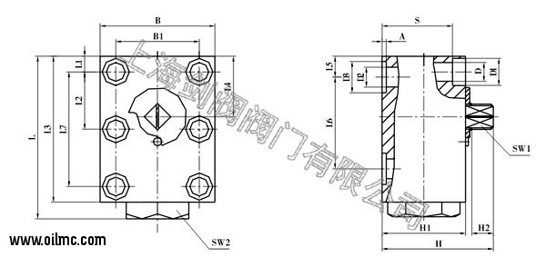
外形结构图
主要外形尺寸表
| 简略型号 | DN | LW | L | L1 | L2 | L3 | L4 | L5 | L6 | L7 | B | B1 |
| KHP-06 | 06 | 06 | 64 | 8.5 | 17.5 | 59 | 25 | 8.5 | 35 | 35 | 40 | 27 |
| KHP-10 | 10 | 9.5 | 77 | 7.5 | 27.5 | 70 | 29 | 10 | 44 | 55 | 55 | 40 |
| KHP-16 | 16 | 16 | 110 | 8.5 | 41.5 | 100 | 43 | 17 | 58 | 83 | 60 | 45 |
| KHP-20 | 20 | 20 | 126 | 10 | 48.5 | 117 | 54 | 20 | 69 | 97 | 70 | 51 |
| KHP-25 | 25 | 23.5 | 145 | 10 | 57.5 | 135 | 64.5 | 24 | 81 | 115 | 80 | 60 |
| KHP-32 | 32 | 30 | 177 | 12 | 68 | 165 | 75.5 | 29 | 96 | 136 | 100 | 78 |
| KHP-40 | 40 | 38 | 200 | 30 | 56 | 185 | 80 | 30 | 112 | 112 | 130 | 95 |
| KHP-50 | 50 | 48 | 245 | 38 | 68 | 220 | 106 | 38 | 136 | 136 | 149 | 112 |
主要外形尺寸表
| 简略型号 | SW1 | SW2 | H | H1 | H2 | D | D1 | D2 | D3 | A | S | O 形圈 |
| KHP-06 | 09 | 22 | 37.5 | 30 | 7 | 6.6 | 11 | 6 | 11.7 | 1.6 | 23 | 8×2 |
| KHP-10 | 09 | 30 | 58 | 40 | 8.5 | 9 | 13 | 9.5 | 15 | 2 | 31 | 10×2.6 |
| KHP-16 | 09 | 41 | 72.5 | 52 | 11 | 9 | 13 | 16 | 25 | 2 | 43 | 20.29×2.62 |
| KHP-20 | 12 | 41 | 88.5 | 60 | 11 | 10.5 | 16.5 | 20 | 30 | 2.5 | 50 | 23.39×3.53 |
| KHP-25 | 12 | 46 | 97.5 | 65 | 11 | 10.5 | 17 | 23.5 | 35 | 2.5 | 55 | 28.17×3.53 |
| KHP-32 | 14 | 55 | 118.5 | 80 | 12 | 13 | 19 | 30 | 40 | 2.5 | 67 | 32.92×3.53 |
| KHP-40 | 14 | 65 | 118.5 | 93 | 12 | 17 | 25 | 38 | 48 | 3 | 77 | 42×3.5 |
| KHP-50 | 14 | / | 129 | 110 | 12 | 22 | 33 | 48 | 55.4 | 2.9 | 88.5 | 49×3.5 |
主要外形尺寸表
| 简略型号 | 内六角螺栓DIN912 | 扭距 Nm(摩擦系数μ=0.14时) |
| KHP-06 | M6-10.9 | 13 |
| KHP-10 | M8-10.9 | 30 |
| KHP-16 | M8-12.9 | 35 |
| KHP-20 | M8-12.9 | 60 |
| KHP-25 | M10-12.9 | 60 |
| KHP-32 | M12-12.9 | 110 |
| KHP-40 | M16-12.9 | 300 |
| KHP-50 | M20-12.9 | 600 |
